橡膠軟管爆破壓力試驗機可以完成常溫爆破試驗、高溫爆破試驗、高低溫沖擊試驗。系統設置單獨的排液系統,可以方便的進行系統清洗、充液、換液和試驗件的拆裝,具備介質回收功能。下面,我們了解一下該產品的技術要求。
產品名稱:環儀儀器 橡膠軟管爆破壓力試驗機
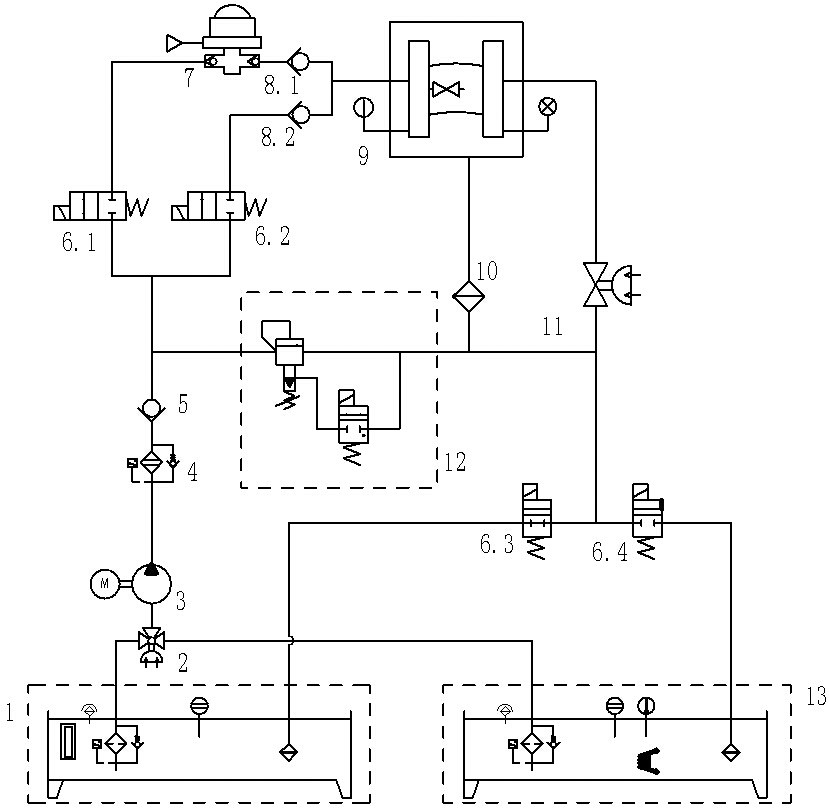
系統組成:主要由加熱油箱、常溫油箱、高溫齒輪泵、氣驅液泵、電磁閥、高低溫箱、電磁溢流閥、氣動元器件及管路附件等組成。
主要性能參數:
產品原理圖:
1-常溫油箱組件 2-氣動球閥 3-齒輪泵組件 4-壓油濾 5-低壓單向閥 6-高溫電磁閥 7-氣驅液泵
8-高壓單向閥 9-高低溫試驗箱 10-高溫過濾器 11-氣控針閥12-高溫電磁溢流閥 13-高溫油箱組件
爆破試驗系統設計:
爆破試驗系統采用齒輪泵組件快速充油,氣驅液泵將被試件增壓至爆破壓力,通過調整氣源壓力,可實現升壓速率的連續調節。
1)常溫爆破試驗
試驗前將被試件安裝于高低溫試驗臺工裝上,氣驅液泵以 140±35MPa/min的增壓速率對系統進行增壓,直至被試件破裂。被試件破裂后系統迅速停止,同時電磁閥打開,溢出油液經過濾器過濾后經電磁閥返回常溫油箱。
2)高溫爆破試驗
試驗前將被試件安裝于高低溫試驗箱工裝上,調整高低溫試驗箱溫度為180±6℃,高溫油箱將試驗液加溫到180±6℃。氣驅液泵將系統壓力提升至工作壓力,保壓5min,然后以 140±35MPa/min 的增壓速率對系統進行增壓,直至被試件破裂。被試件破裂后系統迅速停止,同時電磁閥打開,溢出油液經過濾器過濾后經電磁閥返回高溫油箱。
3)低溫爆破試驗
低溫爆破試驗與高溫爆破試驗原理相似。
如有橡膠軟管爆破壓力試驗機選型疑問,可以咨詢環儀儀器相關技術人員。











