流體軟管高低溫耐壓爆破試驗機用于各種汽車軟管、膠管、空調管、汽車軟管的耐壓、氣密、爆破脈沖等試驗項目。為了對液壓軟管總成進行可靠性試驗,我們根據《GB /T 7939》的標準 要求,對爆破試驗機做出了以下技術要求。
產品名稱:環儀儀器 流體軟管高低溫耐壓爆破試驗機
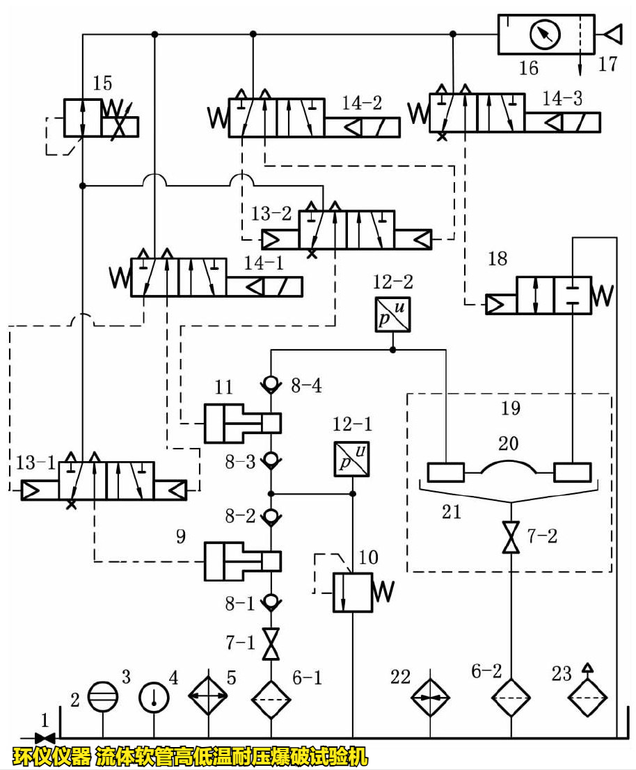
根據耐壓爆破試驗要求,設計了耐壓爆破試驗臺液壓系統,系統原理下圖所示。
1. 放油閥 2. 油箱 3. 液位計 4. 溫度計 5. 冷卻器 6. 過濾器 7. 球閥 8. 單向閥 9. 低壓氣液泵 10. 溢流閥 11. 高壓氣液泵 12. 壓力傳感器
13. 氣動換向閥 14. 電磁換向閥 15. 比例減壓閥 16. 氣動三聯件 17. 氣源 18. 氣動換向閥 19. 試驗工裝 20. 液壓軟管總成 21. 集油箱 22. 加熱器 23. 空氣過濾器
系統構成:
耐壓爆破試驗臺有氣液轉換系統、氣源壓力調節系統、氣控排空系統。
1.氣液轉換系統的關鍵元件是氣液泵,以壓縮空氣 ( 壓力小于或等于0. 7 MPa) 作為動力源且能夠輸出與驅動氣壓成正比的液壓力氣液轉換系統采用高低壓雙氣液泵復合增壓技術,利用低壓氣液泵( 最高輸出壓力為28 MPa,增壓比為40∶ 1) 補償高壓氣液泵 ( 最高輸出壓力為280 MPa,增壓比為400∶ 1) 的低壓盲區;
2.氣源壓力調節系統通過比例減壓閥可實現氣液泵驅動氣壓的無級調節;
3.氣控排空系統通過氣動控制可實現自動排空、油液混合循環、集油排油等功能。
耐壓爆破試驗臺能實現以下功能:
1.可進行耐壓(恒速升壓 - 保壓 - 卸壓) 、爆破( 恒速升壓 - 爆破) 兩種試驗。
2.試驗壓力可在0 ~ 3MPa間調節,升壓速率 可在0~10 MPa /s間調節。
3.試驗介質溫度可在10 ~ 180 ℃ 間調節。
主要技術參數:
如有流體軟管高低溫耐壓爆破試驗機的選型疑問,可以咨詢環儀儀器相關技術人員。












